网上十大博彩平台网址大全
盟工业和信息化局_锡林郭勒盟行政公署
网上十大博彩平台网址大全
登录
|
注册
|
用户中心
|
退出
手机版
微信公众号
无障碍浏览
长者浏览
锡林郭勒盟行政公署
首页
盟情
资讯
政务
办事
互动
数据
专题
首页
盟情
资讯
政务
办事
互动
数据
专题
当前位置:
首页
>
专题
>
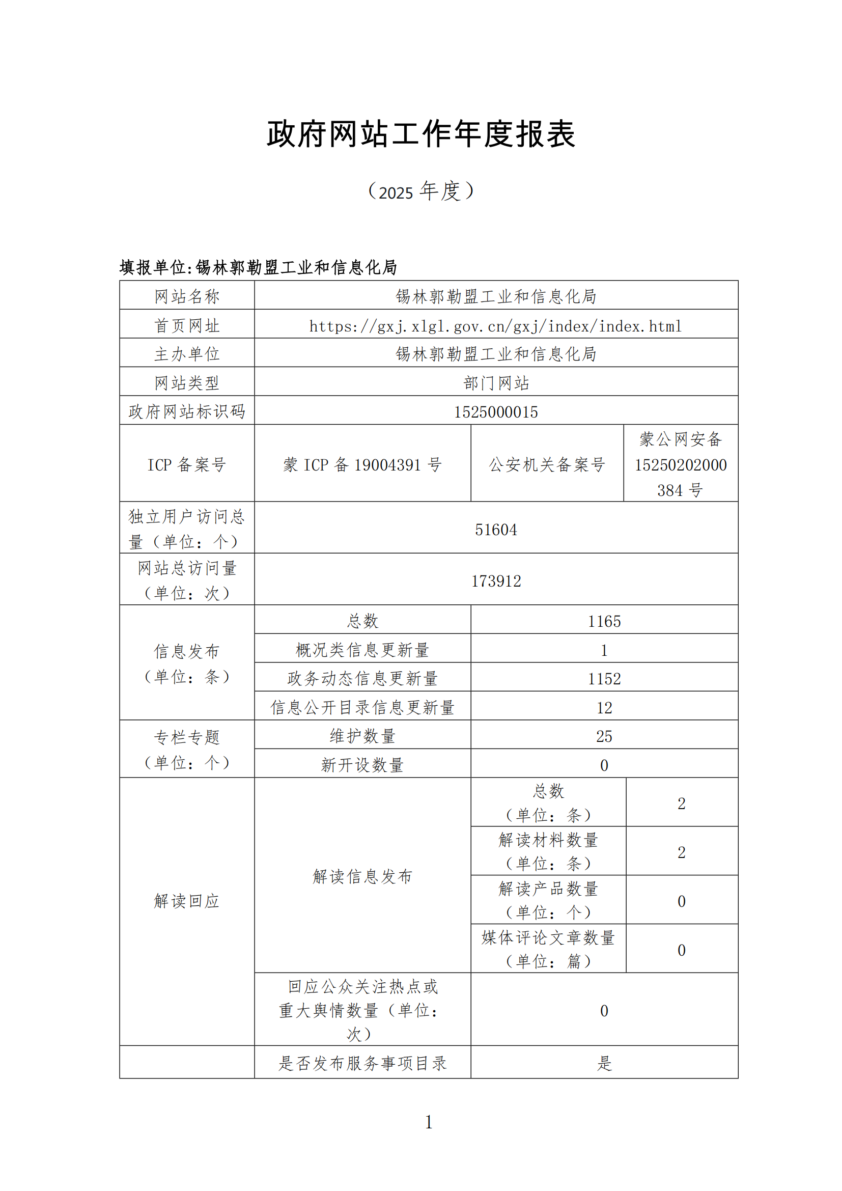
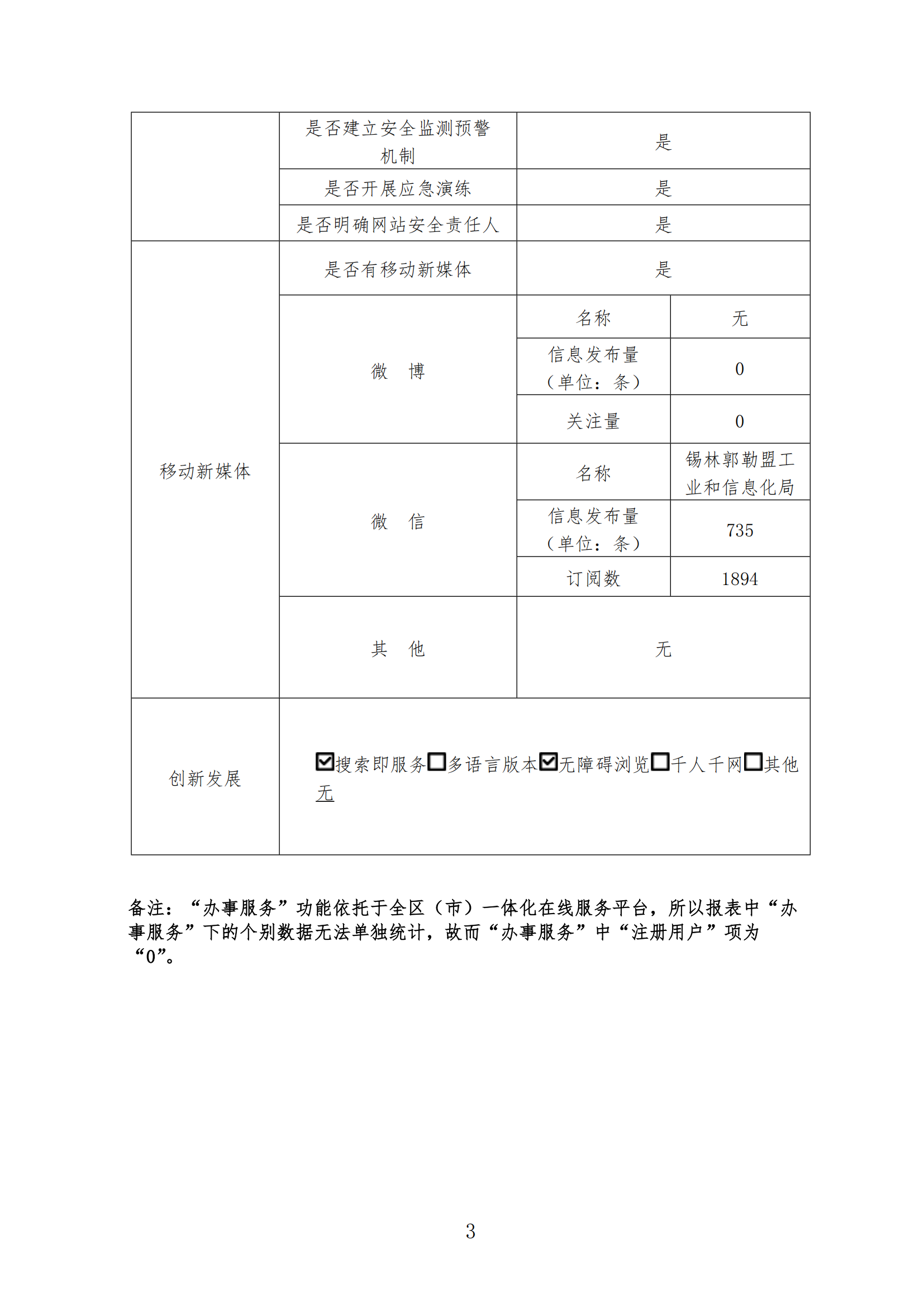
2025年锡林郭勒盟政府网站年报
>
行署部门
盟工业和信息化局
发布时间:2026-01-06 18:24 来源:锡林郭勒盟工业和信息化局
浏览次数:
【字体:
大
中
小
】
相关文件/解读
关注锡林郭勒盟政务门户网
微信
微信扫一扫:分享
微信里点“发现”,扫一下
二维码便可将本文分享至朋友圈。
微信扫一扫:分享
微信里点“发现”,扫一下
二维码便可将本文分享至朋友圈。
微信扫一扫:分享
微信里点“发现”,扫一下
二维码便可将本文分享至朋友圈。
微信扫一扫:分享
微信里点“发现”,扫一下
二维码便可将本文分享至朋友圈。
微信扫一扫:分享
微信里点“发现”,扫一下
二维码便可将本文分享至朋友圈。
微博
Qzone
打印
保存
中国政府网
内蒙古自治区人民政府
锡林郭勒盟人大工委
锡林郭勒盟行署
锡林郭勒盟政协
旗县
行署部门
中直区直
事业单位
党群机关
盟市网站
请使用CTRL+S保存网页
(Mac用户使用Command+S保存)
确认
网络十大博彩app下载-世界十大博彩app下载
靠谱买球app推荐-足球买球app推荐
体育博彩官方网站
赌钱娱乐-线上赌钱-线上赌钱平台
澳门新葡京博彩官网-澳门新葡京博彩平台
站群克隆软件
网站复制工具
干扰字符镜像
站点克隆软件
蜘蛛池+镜像
自动镜像站群
量子镜像站群
泛镜像站群
递归网站下载
>网站地图-sitemap